您在這裡
蘿蔔腿肌肉神經研究
蘿蔔腿肌肉神經研究
點成績, 真的喜極而泣...)
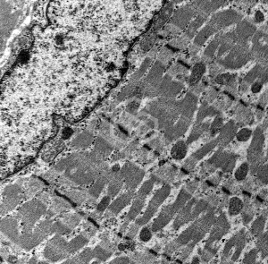
@@ TEM(Transmission Electron Microscope):
~Z-discs
De D14
De D28
e D42
@@ Morphology:

@@ Mathematical Model:



整數解的可能, 目前我能想到的是和對數螺線有關
; 另外就是 Laplace transform
@@ Immunostain:
N-cadherin
normal
post-denervation day 10
post-denervation day 28
Pan-cadherin
normal
post-denervation day 7
@@ RT-PCR:

















